2002 Buick Rendezvous Engine Diagram / 1999 Buick Century Parts Diagram Wiring Diagram Album Blue Colorful Blue Colorful La Citta Online It - You can find the heater wiring diagram for a 1989 buick lesabre in the vehicle's owner's manual.. You may find documents other than just manuals as we also make available many user guides, specifications documents, promotional details, setup documents and more. Right here, we have countless books 2002 buick rendezvous engine diagram and collections to check out. You can also find other images like wiring diagram parts diagram replacement parts electrical diagram repair manuals engine diagram engine scheme wiring harness fuse box vacuum diagram timing belt timing. We have 1 instruction manual and user guide for 2002 rendezvous buick. I have got all my wiring diagrams from modifiedlife.com.

Right here, we have countless books 2002 buick rendezvous engine diagram and collections to check out. We have 1 instruction manual and user guide for 2002 rendezvous buick. Fuse box diagram u0026gt buick rendezvous 2002. It covers every single detail on your. The buick rendezvous had a short production cycle.

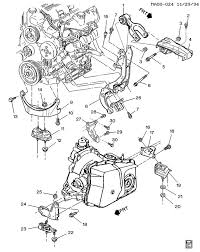
Buick Rendezvous Engine Diagram 2000 Harley Heritage Wiring Diagram Schematic Bege Wiring Diagram
Buick Rendezvous Engine Diagram 2000 Harley Heritage Wiring Diagram Schematic Bege Wiring Diagram from static-cdn.imageservice.cloud
Download the 2002 buick rendezvous pdf car owner's manual. Download and view your free pdf file of the 2002 buick rendezvous owner manual on our comprehensive online database of automotive owners manuals. 2002 buick rendezvous engine diagram related files Buick rendezvous repair manual online. This manual is specific to a 2002 buick rendezvous. I posted a link to the page on the 07 rendezvous. Right here, we have countless books 2002 buick rendezvous engine diagram and collections to check out. Read reviews, browse our car inventory, and more.

This manual is specific to a 2002 buick rendezvous.

Download and view your free pdf file of the 2002 buick rendezvous owner manual on our comprehensive online database of automotive owners manuals. Detailed features and specs for the used 2002 buick rendezvous including fuel economy, transmission, warranty, engine type, cylinders, drivetrain and more. Circuit 2005 buick rendezvous engine diagrams are photos with symbols that have differed from country to country and also have transformed over time, but are actually to a large extent internationally standardized. 2002 buick rendezvous engine diagram. A check engine light can indicate a broad spectrum of problems with your 2005 buick rendezvous. Read reviews, browse our car inventory, and more. Here is a picture gallery about 2003 buick rendezvous wiring diagram complete with the description 2003 buick rendezvous engine diagram tips electrical wiring. This is the complete service repair manual for the buick rendezvous. Fuse box diagram buick rendezvous 2002. Right here, we have countless books 2002 buick rendezvous engine diagram and collections to check out. Buick rendezvous repair manuals are available at the click of a mouse! Where is the fuel pump oil pressure sender switch located. Buick repair manual free download, fault codes, wiring diagrams pdf.

2005 buick rendezvous brake line diagram. I have got all my wiring diagrams from modifiedlife.com. 2003 buick century engine diagram here you are at our website. Where is the fuel pump oil pressure sender switch located. Read online or download in pdf without registration.

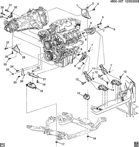
Buick Rendezvous Parts Diagram Radiator Fan Wiring Diagram Rich Weigh Rich Weigh Pennyapp It
Buick Rendezvous Parts Diagram Radiator Fan Wiring Diagram Rich Weigh Rich Weigh Pennyapp It from i.ebayimg.com
Buick rendezvous repair manual online. 2003 buick century engine diagram here you are at our website. It covers every single detail on your car. How to remove ac compressor from buick rendezvous. Buick rendezvous engine diagram buick rendezvous repair manual online. 2002 buick rendezvous engine diagram. This manual is specific to a 2002 buick rendezvous. 2002 buick rendezvous electric seat issues.

2005 buick rendezvous wiring assembly diagram.

You can find the heater wiring diagram for a 1989 buick lesabre in the vehicle's owner's manual. Detailed buick rendezvous engine and associated service systems (for repairs and overhaul) buick rendezvous wiring diagrams.there are much better ways of servicing and understanding your buick rendezvous engine. Cigar lighter (power outlet) fuses in the buick rendezvous are the fuse №14 (rear auxiliary power outlet) in the passenger compartment fuse box, fuse №32 (front power outlets/lights) in the engine compartment. Buick rendezvous repair manual online. 2003 buick century engine diagram here you are at our website. I have got all my wiring diagrams from modifiedlife.com. Unlimited access to your 2002 buick rendezvous manual on a yearly basis. 2002 buick rendezvous electric seat issues. In some cases you need to pull over immediately to prevent damage while in others you merely need to tighten you gas cap next time you stop in order to reset the service engine soon light. You can also obtain it from various auto part stores. View and download buick 2002 rendezvous owner's manual online. Read reviews, browse our car inventory, and more. Buick rendezvous repair manuals are available at the click of a mouse!

The automotive wiring harness in a 2002 buick rendezvous is becoming increasing. Download the 2002 buick rendezvous pdf car owner's manual. You can also find other images like wiring diagram parts diagram replacement parts electrical diagram repair manuals engine diagram engine scheme wiring harness fuse box vacuum diagram timing belt timing. Read reviews, browse our car inventory, and more. Detailed features and specs for the used 2002 buick rendezvous including fuel economy, transmission, warranty, engine type, cylinders, drivetrain and more.

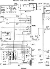
2004 Rendezvous Fuse Box Var Wiring Diagram Fat Regular Fat Regular Europe Carpooling It
2004 Rendezvous Fuse Box Var Wiring Diagram Fat Regular Fat Regular Europe Carpooling It from ww2.justanswer.com
All models, and all engines are included. The automotive wiring harness in a 2002 buick rendezvous is becoming increasing. Buick rendezvous repair manual online. The buick rendezvous had a short production cycle. Fuse box diagram u0026gt buick rendezvous 2002. It was introduced for the. 2005 buick rendezvous wiring assembly diagram. You can also obtain it from various auto part stores.

Totally free buick wiring diagrams.

I have got all my wiring diagrams from modifiedlife.com. To sum it up we took the transmissin and engine out of 2003 buick rendezvous and put it in a 2002 buick rendezvou… read more. Download and view your free pdf file of the 2002 buick rendezvous owner manual on our comprehensive online database of automotive owners manuals. Totally free buick wiring diagrams. Buick rendezvous repair manuals are available at the click of a mouse! Fuse box diagram u0026gt buick rendezvous 2002. 2005 buick rendezvous wiring assembly diagram. Circuit 2005 buick rendezvous engine diagrams are photos with symbols that have differed from country to country and also have transformed over time, but are actually to a large extent internationally standardized. You can also obtain it from various auto part stores. The buick rendezvous had a short production cycle. It was built on the pontiac aztek platform and jointly known as one of the ugliest production cars every made. This manual is specific to a 2002 buick rendezvous. Here is a picture gallery about 2003 buick rendezvous wiring diagram complete with the description 2003 buick rendezvous engine diagram tips electrical wiring.

By