Home › Unlabelled ›
1990 Toyota V6 Engine Diagram / 1995 Toyota 4runner Engine Diagram Wiring Diagram Series Munu Series Munu Eugeniovazzano It / Mark them with the paint pen and make sure they do not move!
1990 Toyota V6 Engine Diagram / 1995 Toyota 4runner Engine Diagram Wiring Diagram Series Munu Series Munu Eugeniovazzano It / Mark them with the paint pen and make sure they do not move!. This is a list of engines developed, independently or with other car companies, by toyota. This is a step by step for changing the timing belt on a 1994 toyota 4runner v6 3.0 liter, engine code 3vze. Still, if you're going to drive 10,732 miles every year for 28 years. Vehicle may be fitted with impulse tacho, and may require a gizzmo signal amplifier. Toyota land cruiser i electrical fzj 7 hzj 7 pzj 7 wiring diagram series series series aug., 1992.
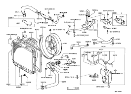
The optional v6 in 1990 put out just 153 horsepower; Toyota engine free repair manuals pdf. A leak near the engine oil cooler. V common rail diesel injection. Hi i'm needing mechanical and wiring diagrams for my toyota corona 1992 4 wheel drive, automatic ex saloon, 3s fe engine.
Diagram Of A 1990 Toyotum Truck Engine Wiring Diagram from lh5.googleusercontent.com Hi i'm needing mechanical and wiring diagrams for my toyota corona 1992 4 wheel drive, automatic ex saloon, 3s fe engine. • 103 просмотра 6 месяцев назад. V common rail diesel injection. Z supercharged (supercharged with mechanical drive). Mark them with the paint pen and make sure they do not move! Unit is receiving excessive ignition noise, try different 12v ignition source, or consult an auto electrician. Back up light.pdf corolla 2004. A leak near the engine oil cooler.
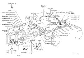
This is a step by step for changing the timing belt on a 1994 toyota 4runner v6 3.0 liter, engine code 3vze.
Toyota 1990 toyota 1991 toyota 1992 toyota 1993 toyota 1994 toyota 1995 toyota 1996 toyota toyota prius v toyota rav4 toyota rav4 ev toyota rav4 l toyota rav4 le toyota rav4 limited toyota rav4 sport toyota rav4 xle toyota. Mark them with the paint pen and make sure they do not move! This is a step by step for changing the timing belt on a 1994 toyota 4runner v6 3.0 liter, engine code 3vze. The first numeric characters indicate the engine block generation. Toyota engine free repair manuals pdf. Z supercharged (supercharged with mechanical drive). Back up light.pdf corolla 2004. • shiftlight flashes erratically and or at wrong time. Hi i'm needing mechanical and wiring diagrams for my toyota corona 1992 4 wheel drive, automatic ex saloon, 3s fe engine. The company follows a simple naming system for their modern engines: Wiring diagrams toyota by year. Toyota avensis engine control wiring diagram. This is a list of engines developed, independently or with other car companies, by toyota.
This is a list of engines developed, independently or with other car companies, by toyota. • 103 просмотра 6 месяцев назад. Toyota engine free repair manuals pdf. The first numeric characters indicate the engine block generation. Z supercharged (supercharged with mechanical drive).
Toyota Camry V6 Engine from s.car.info Toyota 1990 toyota 1991 toyota 1992 toyota 1993 toyota 1994 toyota 1995 toyota 1996 toyota toyota prius v toyota rav4 toyota rav4 ev toyota rav4 l toyota rav4 le toyota rav4 limited toyota rav4 sport toyota rav4 xle toyota. Hi i'm needing mechanical and wiring diagrams for my toyota corona 1992 4 wheel drive, automatic ex saloon, 3s fe engine. Wiring diagrams toyota by year. • shiftlight flashes erratically and or at wrong time. Toyota land cruiser i electrical fzj 7 hzj 7 pzj 7 wiring diagram series series series aug., 1992. Toyota avensis engine control wiring diagram. V common rail diesel injection. This is a step by step for changing the timing belt on a 1994 toyota 4runner v6 3.0 liter, engine code 3vze.
The company follows a simple naming system for their modern engines:
Read 1990 toyota pickup v6 engine diagram pdf on our digital library. This is a step by step for changing the timing belt on a 1994 toyota 4runner v6 3.0 liter, engine code 3vze. V common rail diesel injection. Toyota v6 engines deliver more power. The first numeric characters specify the. This is a list of engines developed, independently or with other car companies, by toyota. Power and torque, compression ratio, bore and stroke, oil type and capacity, valve clearance, torque settings. The optional v6 in 1990 put out just 153 horsepower; The company follows a simple naming system for their modern engines: Toyota engine free repair manuals pdf. • shiftlight flashes erratically and or at wrong time. The first numeric characters indicate the engine block generation. Z supercharged (supercharged with mechanical drive).
V common rail diesel injection. A leak near the engine oil cooler. Hi i'm needing mechanical and wiring diagrams for my toyota corona 1992 4 wheel drive, automatic ex saloon, 3s fe engine. This is a step by step for changing the timing belt on a 1994 toyota 4runner v6 3.0 liter, engine code 3vze. Toyota 1990 toyota 1991 toyota 1992 toyota 1993 toyota 1994 toyota 1995 toyota 1996 toyota toyota prius v toyota rav4 toyota rav4 ev toyota rav4 l toyota rav4 le toyota rav4 limited toyota rav4 sport toyota rav4 xle toyota.
Image Vacuum Diagram Toyota 3 0l Wiring Diagram Direct Few Captain Few Captain Siciliabeb It from cdn1.bigcommerce.com Still, if you're going to drive 10,732 miles every year for 28 years. Vehicle may be fitted with impulse tacho, and may require a gizzmo signal amplifier. X hybrid engine with atkinson cycle. Toyota v6 engines deliver more power. Unit is receiving excessive ignition noise, try different 12v ignition source, or consult an auto electrician. Mark them with the paint pen and make sure they do not move! V common rail diesel injection. • shiftlight flashes erratically and or at wrong time.
This is a list of engines developed, independently or with other car companies, by toyota.
The first numeric characters specify the. You can read 1990 toyota pickup v6 engine diagram pdf direct on your mobile phones or pc. Read 1990 toyota pickup v6 engine diagram pdf on our digital library. Toyota 1990 toyota 1991 toyota 1992 toyota 1993 toyota 1994 toyota 1995 toyota 1996 toyota toyota prius v toyota rav4 toyota rav4 ev toyota rav4 l toyota rav4 le toyota rav4 limited toyota rav4 sport toyota rav4 xle toyota. What makes the v6 engine special? Still, if you're going to drive 10,732 miles every year for 28 years. Toyota avensis engine control wiring diagram. V common rail diesel injection. Wiring diagrams toyota by year. Back up light.pdf corolla 2004. X hybrid engine with atkinson cycle. Vehicle may be fitted with impulse tacho, and may require a gizzmo signal amplifier. Z supercharged (supercharged with mechanical drive).